Restorative
Class II Solution
Blog Post


Reducing the Likelihood of Postoperative Sensitivity in Composite Restorations

 

It's not uncommon for a dental practitioner to have a fully booked schedule for the day, when a patient calls complaining of post-operative sensitivity from their recent Class II composite procedure.  After working the patient into the schedule, diagnosing what initially caused the sensitivity can be stressful and challenging given how technique sensitive these procedures are. 

Understanding the correct technique for placing Class II composite restorations can alleviate some of these unexpected patient phone calls and keep practices running efficiently. 

Below, we will outline the common causes of post operative sensitivity with composite restorations.  We will explore how to minimize the likelihod of it occurring allowing you to focus on your patients and your practice. 

Common causes of postoperative sensitivity after composite restorations (and how to reduce the likelihood of it occuring)

 

What causes post-op sensitivity after composite fillings? Quite a few things, actually - placing composite resins is a complex procedure considering the nature of dentin is close to the pulp, and some studies have estimated sensitivity occurs after 10-15% of posterior composite restorations.1

The most common causes of postoperative sensitivity can be narrowed down to:

  • Inadequate coverage of the adhesive or inadequate penetration of the adhesive into the dentin tubules
  • Placing the restoration with incorrect technique
  • Inadequate light curing
  •  Using high stress materials

While you can’t change the extent of a carious lesion while treating your patient, you can choose materials and products proven to reduce post-op sensitivity, and then perfect your technique associated with those products.

You need to completely familiarize yourself with the products you use and their correct technique - even the slightest misstep can result in a failed procedure and post-op sensitivity.

7 challenges and tips for reducing the likelihood of post op sensitivity

 

The following are challenges practitioners report that can lead to postoperative sensitivity in composite restorations as well as tips for prevention in your next procedure. 

Sensitivity caused by inadequate tooth isolation

 

Proper tooth isolation is key in any phase of the Class II restoration, as it prevents saliva and blood from contaminating the restorative field. If the restorative field is contaminated, the physical properties and ultimate success of the restoration may be compromised, leading to post-op sensitivity and patient discomfort.

If you have trouble with isolation, you’re not alone - 97% of clinicians say that achieving proper isolation of a Class II cavity is difficult in at least 1 out of 10 cases.2 Besides common measures for isolation, consider the importance of a well-adapted matrix. Using matrix systems developed specifically for placing composite materials, like our Palodent V3 Sectional Matrix System helps to achieve a tight seal at the gingival margin.

 

Sensitivity caused by using a high-stress material
 

Using a high-stress material can result in the material pulling away from the adhesive, leaving unsealed areas of dentin contacting directly with the pulp which leads to typical pain upon biting.2

In order to reduce the risk of sensitivity caused by a material, you should use a low-stress material which minimizes the stresses put on the tooth, like SDR flow+. It is the first bulk fill flowable that self-levels, provides excellent cavity adaptation and significantly lowers shrinkage stress.3

 

Sensitivity caused by over-etching dentin

 

Although the strongest bond you can create in a restoration is to etched enamel, care must be taken to not over-etch dentin as this is a leading cause of post operative sensitivity. Etching for too long may result in a deeper level of dentin demineralization making it more difficult to acquire an intact hybrid layer through adhesive resin infiltration.

To minimize the risk of over-etching dentin, we recommend limiting dentin exposure to etchant to under 15 seconds and using a bonding agent that gives you the flexibility to use the etching technique that is most appropriate for the situation, like Prime&Bond active Universal Dental Adhesive which can be used in all etching techniques, including the selective etching of enamel.

 

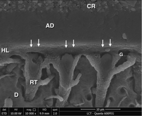
Sensitivity caused by over-drying dentin

 

Another cause of sensitivity after composite restorations is desiccating (over-drying) the dentin. Desiccating the dentin removes the moisture you need to correctly suspend the delicate collagen fibers so that the adhesive can infiltrate and hybridize them. If the etched dentin is desiccated (over-dried) by air-drying too long or too strong, the exposed collagen fibers can collapse. The result is a collagen layer which is almost impossible to infiltrate. Likely consequences are a significant decrease in bond strength and postoperative sensitivity.

To avoid desiccation the dentin surface should be kept slightly moist but not wet after rinsing. The results is a collagen layer that is almost impossible to infiltrate, which may cause a decrease in bond strength and postoperative sensitivity.

  • CR: Composite Resin
  • AD: Adhesive
  • HL: Hybrid Layer
  • RT: Resin Tag
  • D: Dentin

Source: „SEM on over dried dentin“ Prof. Andre F. Reis, DDS, MS, PhD, Rio de Janeiro, Brazil

Sensitivity caused by not removing solvents during the drying step

 

You may generally understand the theory of how solvents work based on tabletop evaporation (for example, acetone-based vs. alcohol-based), but you need to recognize that each solvent requires a different amount of air thinning to be completely volatilized once set in place. This is a critical step if you want to ensure the material performs to its highest potential and doesn’t cause tooth sensitivity after the restoration.

Familiarize yourself with the instructions of the adhesive used  to determine the end of the evaporation step rather than just stopping after few seconds of air-blowing.

 
Sensitivity caused by incomplete material coverage

 

Studies4 have shown that polymerization shrinkage of the resin is one of the top causes of sensitivity post-op, but that’s not the only scenario where incomplete material coverage can lead to post operative sensitivity. It’s important to cover the internal surface completely and uniformly with an adhesive. You’ll know you’ve done this correctly if the surface appears glossy rather than matte.

 

Sensitivity caused by under curing

 

You may generally understand the theory of how solvents work based on tabletop evaporation (for example, acetone-based vs. alcohol-based), but you need to recognize that each solvent requires a different amount of air thinning to be completely volatilized once set in place. This is a critical step if you want to ensure the material performs to its highest potential and doesn’t cause tooth sensitivity after the restoration.

Familiarize yourself with the instructions of the adhesive used  to determine the end of the evaporation step rather than just stopping after few seconds of air-blowing.

We recommend to use a curing light like Dentsply Sirona’s SmartLite Pro. SmartLite Pro offers leading performance3 over distance and generates low heat to help avoid raising pulpal temperature, which can also cause sensitivity. Its low-profile LED tip allows positioning over deep parts of the cavity so the beam cures straight down vs. at an angle, to avoid shadowing. Also, its 10mm wide active curing diameter ensures proper curing of even larger restorations, without the need for additional overlapping curing cycles.

Avoid tooth sensitivity with help from Dentsply Sirona

The success of your practice depends on the happiness and comfort of your patients, as well as your efficiency with procedures. If you want to prevent postoperative sensitivity after composite restorations, be sure you’re using thoroughly developed and researched materials and using them correctly. Not all restorative materials and products are created equal, and that’s where we come in. Dentsply Sirona’s portfolio of Class II Restorative products helps clinicians provide better procedures and more comfort for their patients, and provides them tools and training to implement solutions for a better practice all around. To get started, contact us now!

 


Related Articles